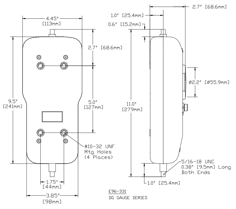
Chatillon DG-400 Mechanical Force Gauge, 400 x 2.0 lbf : 5/16-18F

ChatillonSKU: DG-400

All prices exclude VAT, which will be added at checkout.

Price:
Sale price£895.00

Description

Related Products

Recently viewed