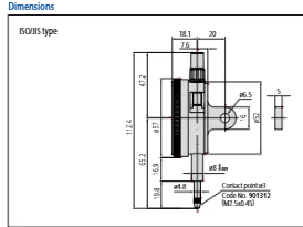
Dial Gauge, Lug Back, ISO Type Shockproof, 10mm, 0,01mm 2046A-09

MitutoyoSKU: 2046A-09

All prices exclude VAT, which will be added at checkout.

Price:
Sale price£45.00 Regular price£62.40

Description

Related Products

Recently viewed