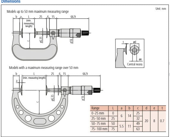
Mitutoyo Disc Micrometer, Hardened Steel Disks 0-25mm, Disk=20mm 123-101

MitutoyoSKU: 123-101

All prices exclude VAT, which will be added at checkout.

Price:
Sale price£171.00 Regular price£234.00

Description

Related Products

Recently viewed